
Application
Medium and high voltage circuit breaker / medium and high voltage isolating switchgear / grounding switchgear / SF6 circuit breaker / high voltage vacuum circuit breaker / GIS isolating switchgear
Features
Wide power supply range: The motor design is compatible with AC and DC power supply systems, ensuring normal operation even in environments with unstable power supply conditions.
Quick operation function: Quick response to meet the rapid opening and closing operation requirements of circuit breakers and isolation switches to ensure the safety and stability of the power system.
Low energy consumption design: Adopt energy-saving design to reduce energy consumption during operation.
Compact structure: The compact design facilitates installation in space-constrained environments such as substations or distribution rooms.
Good compatibility: Motors are usually designed with standard interfaces and can be used with many types of circuit breakers and switchgear.
Easy to maintain: The structure is simple, easy to inspect and replace damaged parts, reducing the complexity and cost of maintenance.
Cost advantage: Since no permanent magnets are used, this type of motor generally has lower material costs. Under long-term use, motors without permanent magnets avoid the problem of magnetic attenuation and may reduce maintenance and replacement frequency, thus saving costs for users.
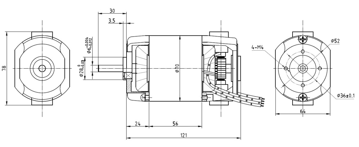
Specification Parameters


*We respect your confidentiality and all information are protected.